Outros robôs Comau Smart5 Arc 4 com Fronius TPS4000
Fabricado em 2012-2013. Este Smart5 Arc 4 é um robô de soldagem de arco especial de 6 eixos fabricado pela Comau e equipado com o poderoso controlador C5G. O Smart 5 Arc4 é um robô de carga rápida e pequena, que oferece desempenho de maior qualidade e melhor versatilidade por meio de sua tecnologia integrada Hollow Wrist. Essa tecnologia permite o alojamento dos cabos de soldagem do maçarico dentro do pulso e um uso de energia minimizado para garantir a compatibilidade ecológica aumentando muito seu desempenho.
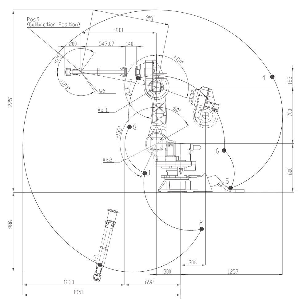
O Comau Smart 5 apresenta uma carga útil de 5 kg, um alcance de braço horizontal de 1.951 mm e uma precisão na repetibilidade de 0,05 mm.
O robô é equipado com uma fonte de energia sinérgica do modelo Fronius TPS4000 com 400 amperes de potência nominal.
Acasalado com o controlador C5G.
O controle C5G utiliza a última geração de PCs industriais APC820 com CPU Core2 Duo, capaz de obter altos desempenhos com baixo consumo energético
Economia de energia
• Menor consumo em espera, baixo consumo durante as operações • Sistema de refrigeração proporcional às operações da unidade de controle
• Sistema de recuperação de rede de energia com um programa de alto conteúdo dinâmico
Flexibilidade e confiabilidade
A nova geração de ônibus eld baseados na tecnologia da Hilscher, integrados pela B & R em sua família I / O X20 remota, garante uma interface confiável e flexível em todas as aplicações dos clientes. Interfaces modulares estão disponíveis, tais como E / S digital, E / S analógica e para muitos tipos de codificador transdutor de posição, resolver, etc.
Segurança
Integrado no módulo SDM, função de desbloqueio certificado TUV (parada de emergência de canal duplo, dispositivo de ativação, ativação de unidade lógica) no braço do robô e função de intertravamento para cooperação homem-robô
Modularidade / expansibilidade
Sistema modular para acionamentos de até 13 eixos na função de base do gabinete e o modelo do robô
Gerenciamento simultâneo de vários robôs
Arquitetura de hardware projetada para gerenciar até 16 eixos em configuração “multi-arm” com caixa de aplicação
Programação off-line 3D com o Robosim Pro
Gerenciamento de múltiplas aplicações
Possibilidade de gerenciar muitos aplicativos ao mesmo tempo
C5G controlador aberto: para se tornar os verdadeiros condutores do movimento do robô
Permite o desenvolvimento de algoritmos de movimento personalizados e aplicações especiais com o uso de sensores
Principais funcionalidades do software disponíveis
• Automatic Payload Identi cation: identificação automática da carga para otimizar o movimento do robô
• Detecção de colisão: parada de emergência do robô em caso de colisão para proteger o mecânico e o equipamento
• Movimento Cooperativo e Sincronizado: gerenciamento coordenado e simultâneo de vários robôs e eixos auxiliares (pista linear, servo-gun, posicionadores e outros equipamentos de aplicação)
• Conveyor and Sensor Tracking: rastreamento de peças em movimento em transportadores lineares e circulares. Precisão em seguir o caminho pelo uso de diferentes tipos de sensores externos
• Servo Tecnologia Conjunta Macia: a capacidade das articulações de robô individuais para ceder às forças externas que são requeridas pela aplicação específica
• Regiões de Interferência: regiões de várias formas podem ser dinamicamente definidas para limitar o espaço de trabalho do robô
• Precisão absoluta do robô: algoritmo para a adaptação da cinemática atual ao modelo teórico programado off-line
Especificações técnicas gerais
- Carga máxima do robô: 5 kg
- Alcance Máximo: 1951 mm
- Repetibilidade na posição: 0,05 mm
- Controlador: C5G
Velocidade de movimento do robô em º / s
- Eixo 1: 170º / s
- Eixo 2: 175º / s
- Eixo 3: 185º / s
- Eixo 4: 360º / s
- Eixo 5: 375º / s
- Eixo 6: 550º / s
Amplitude de movimento (Eixo 1 a 6)
- Eixo 1: +/- 180º
- Eixo 2: + 155º a -60º
- Eixo 3: + 110º a -170º
- Eixo 4: +/- 185º
- Eixo 5: +/- 123º
- Eixo 6: +/- 270º
Funções
Fotos
Vídeo
Diagramas
English
Spain
Germany
France
Russia
China
Argentina
Colombia
Italy
India
Brazil
Japan
Mexico
Turkey
Ukraine
Peru
Sth. Africa